Hem / Produkter / Installationssystem / Skensystem / MPT-konsol Q80
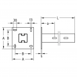
Konsol 80 mm FZV
â*â anger obligatoriska fĂ€lt
E-postadress
Lösenord
Kom ihÄg mig