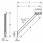
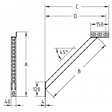
MPR-Vinkelsträva S+ FZV

Vinkelsträva S+ FZV

  • Ytbehandling: Varmförzinkad FZV
  • Vinkelsträva monteras med montagebult S+
  • 440 mm eller 900 mm
Visa alla mått +
Artikelnummer RSK ABCDPassar tillFiler
MU-165866 39544038035541/41-41/124 CAD/Step
MU-165868 74190073470941/41-41/124 CAD/Step
MU-165816 39535541/41-41/124 CAD/Step
Datablad