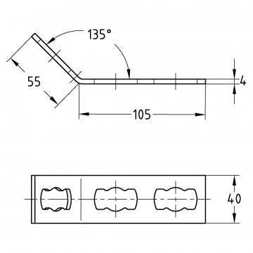
MPR-Skenvinkel FZB S+

135° FZB

  • Ytbehandling: Galvaniserad FZB
  • Montagevinkel
  • Monteras med montagebult S+
Visa alla mått +
Artikelnummer RSK TypPassar tillFiler
MU-165842 2+241/21-41/124 CAD/Step
Datablad