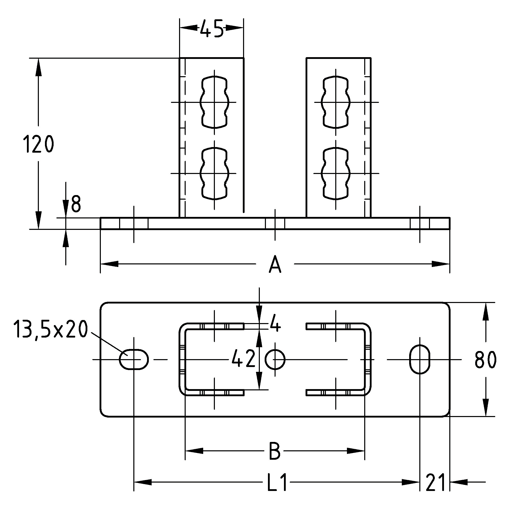
MPR-skenfot FZV S+

för skenor typ S+, FZV

  • Ytbehandling: Varmförzinkad FZV
  • Skenfot monteras mot skenor samt T-kors
  • Monteras med montagebult S+
Visa alla mått +
Artikelnummer RSK Passar tillFiler
MU-165871 41/21-41/124 CAD/Step
Datablad