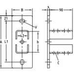
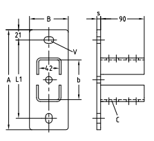
MPR-Skenfot A4

H-Profil

  • Ytbehandling: Syrafast 316/A4
  • Skenfot för MPR-skena
Visa alla mÄtt +
Artikelnummer RSK Passar tillABbL1sCVFiler
MU-155641 41/822058083160813 x 2513.5 x 20 CAD/Step
MU-155642 41/12424580125200813 x 2513.5 x 20 CAD/Step
Datablad