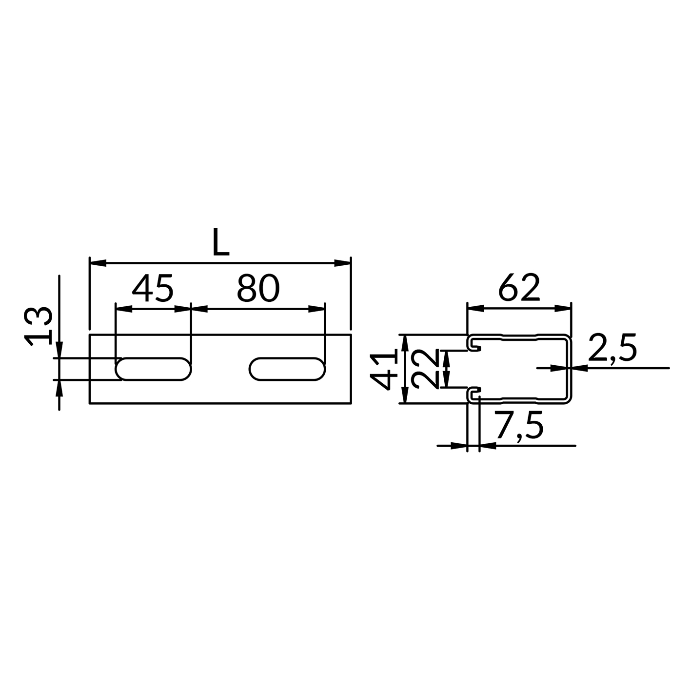
MPR-konsol 41/82

H-profil FZV

  • Ytbehandling: Varmförzinkad FZV
  • H-profil gör montage möjligt pĂ„ bĂ€gge sidor av konsol
  • För installationer av rörsystem, kabelstegar, mm
Visa alla mÄtt +
Artikelnummer RSK L (mm)Filer
NI-80941824801 480
NI-80941820001 1040
Datablad