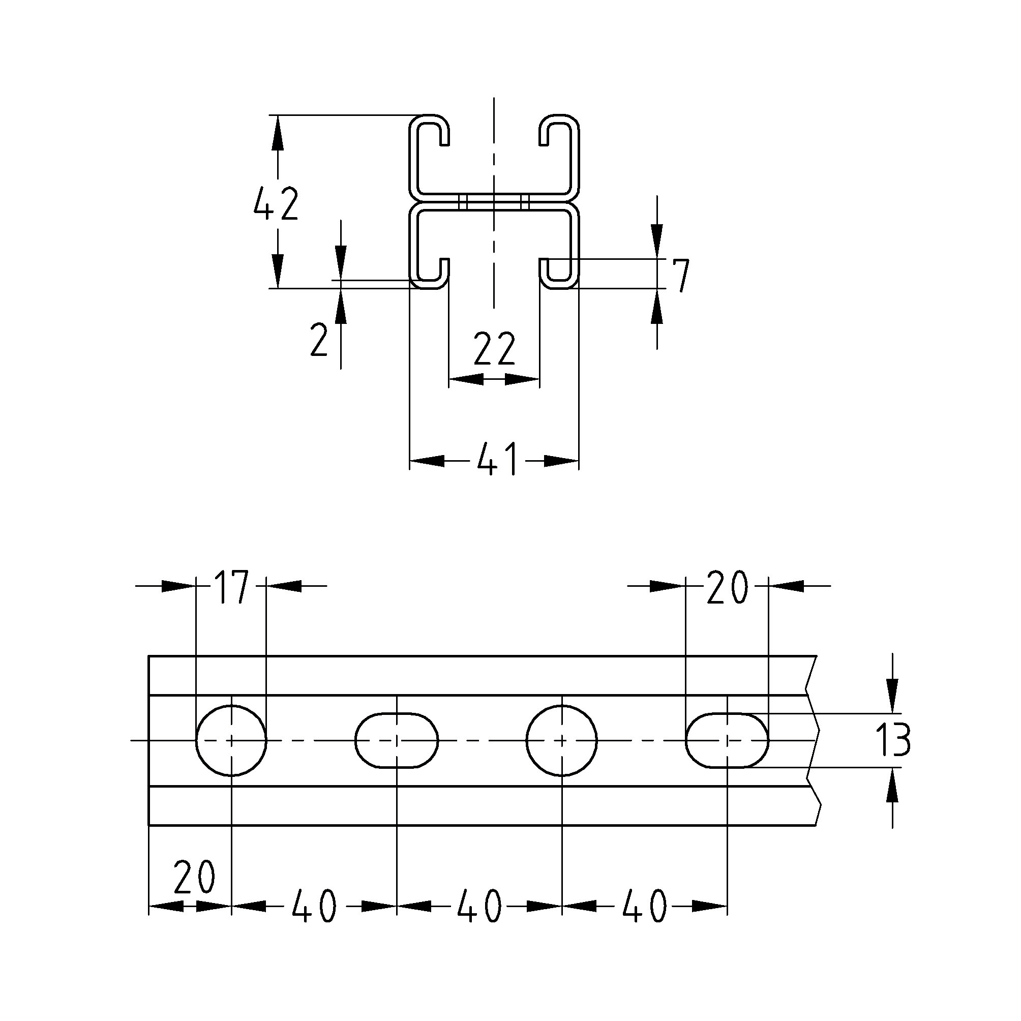
MPR-Hprofil 41/42 2,0

MPR-strutskena FZV

  • Varmförzinkad FZV
  • DubbelspĂ„rig MPR-montageskena
  • MĂ„tt: 41x42 mm - 2.0 mm godstjocklek
  • LĂ€ngd: 6640 mm
  • ETA-godkĂ€nda
Visa alla mÄtt +
Artikelnummer RSK L (mm)Profil (mm)Filer
MU-154185 664041/42/2,0 CAD/Step
Datablad

Tillbehör

Industri FZV M12

FZV Heavy Duty 82-510 mm

GÀngstÄng FZV

GÀngstÄng FZV

MUTTER

Sexkantsmutter FZV