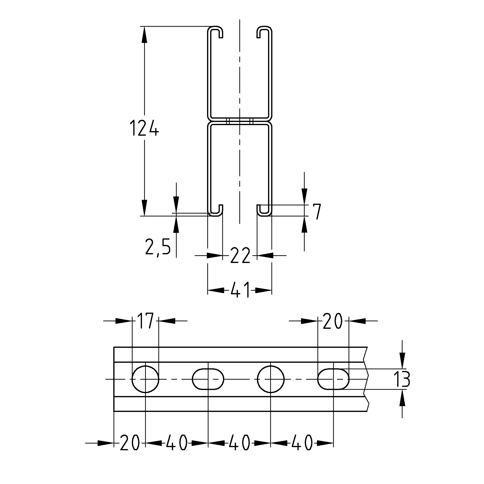
MPR-Hprofil 41/124 2,5

MPR-strutskena FZV

  • Varmförzinkad FZV
  • DubbelspĂ„rig MPR-montageskena
  • MĂ„tt: 41x124 mm - 2.5 mm godstjocklek
  • LĂ€ngd: 6640 mm
  • ETA-godkĂ€nda
Visa alla mÄtt +
Artikelnummer RSK L (mm)Profil (mm)Filer
MU-154187 664041/124/2,5 CAD/Step
Datablad

Tillbehör

GÀngstÄng FZV

GÀngstÄng FZV

MPR-skenfot FZV S+

LÀngsgÄende platta 41/41 41/62 FZV

MUTTER

Sexkantsmutter FZV