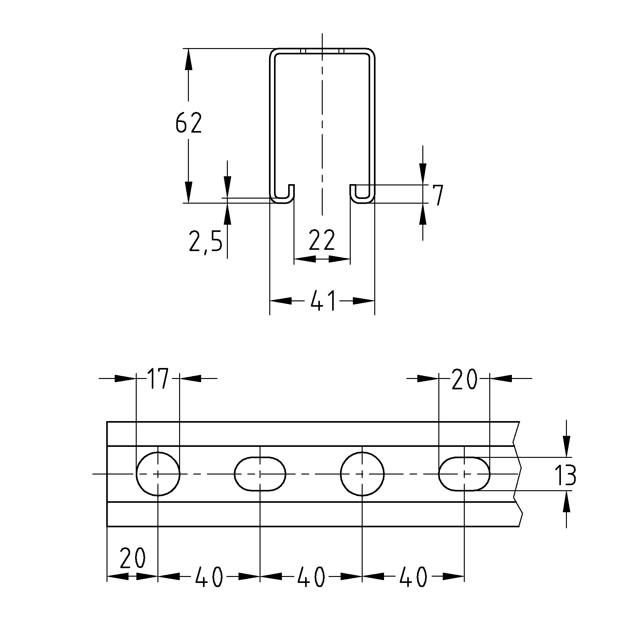
MPR 41/62 2,5

MPR-strutskena FZV

  • Varmförzinkad FZV
  • EnkelspĂ„rig MPR-montageskena
  • MĂ„tt: 41x62 mm - 2.5 mm godstjocklek
  • LĂ€ngd: 6000 mm
  • ETA-godkĂ€nda
Visa alla mÄtt +
Artikelnummer RSK L (mm)Profil (mm)Filer
MU-154184 600041/62/2,5 CAD/Step
Datablad