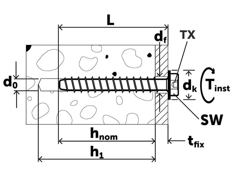
Betongskruv A4

ETA-bedömd

  • ETA-bedömd, syrafast stål A4
  • Korrosivitetsklass C5
  • Betongskruv i syrafast stål A4 med sexkantshuvud
  • Självgängande betongskruv för genomsticksmontage som gör monteringen snabb och enkel
  • Inga expansionskrafter vilket gör att minimalt kantavstånd kan appliceras
  • Samtliga betongskruvar är demonterbara och kan återanvändas därför lämpar den även sig för tillfälliga montage
Visa alla mått +
Artikelnummer RSK SWBorrMax MontageFiler
BSE-8x70-050 1385
BSE-8x80-050 13815
BSE-8x100-050 13835
Datablad