Aquapump XL

680 liter

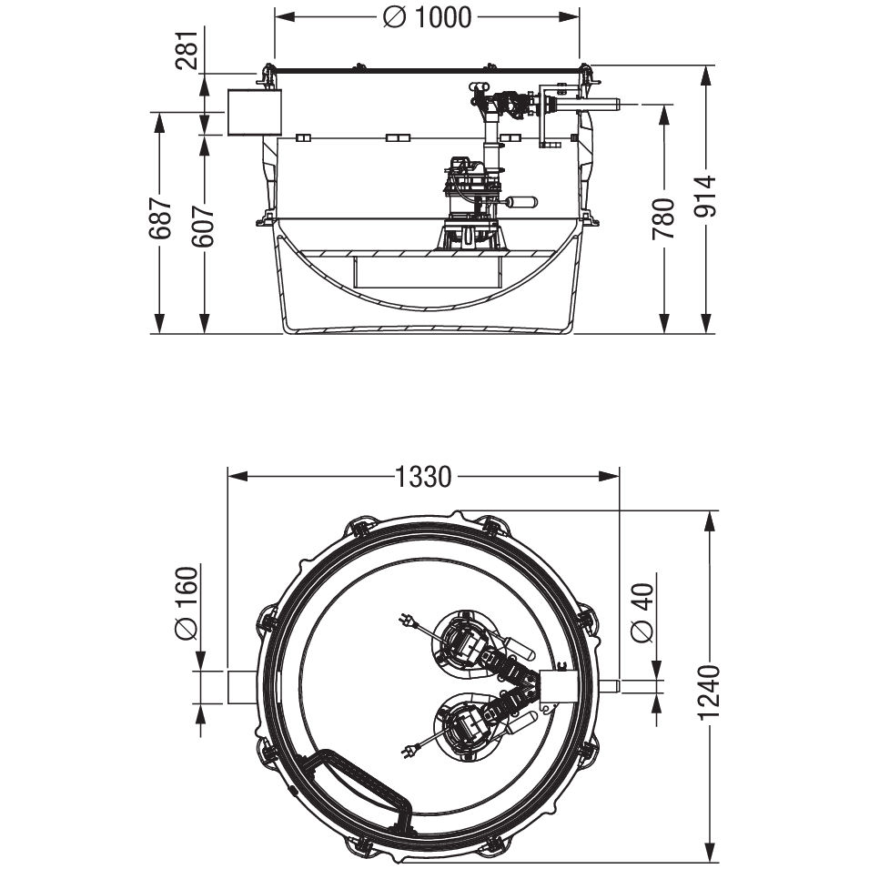
  • Aquapump XL Pumpstation
  • Tankvolym: 680 liter Pumpvolym: 100 liter
  • Pumpstationen Ă€r tillverkad enligt SS-EN-12050 och Ă€r utrustad med virvelhjulspumpar som lĂ€mpar sig bĂ€st för pumpning av avloppsvatten utan fekalier
  • Den Ă€r avsedd för installation i mark eller i betongplattan
  • Den Ă€r sjĂ€lvförankrande och klarar 3 meter grundvatten
  • Max installationsdjup Ă€r 5 meter NivÄövervakning och larm sker via en tryckgivare
  • Pumpstationen levereras komplett med en eller tvĂ„ pumpar, integrerade backventiler, digital kontrollenhet och avstĂ€ngningsventil
  • Pumpstationen förses med en brunnsmodul för pĂ„byggnad till marknivĂ„
Visa alla mÄtt +
Artikelnummer RSK SpÀnningPumpvolym i literPumpAntal pumparFiler
KE-8743004 230 V90KTP 500-S11
KE-8743005 230 V90KTP 500-S11
KE-8743007 230 V90KTP 500-S12
KE-8743009 230 V100GTF 1200-S31
KE-8743010 230 V100GTF 1200-S31
KE-8743012 230 V100GTF 1200-S32
Datablad

Drift och skötsel

Videos

Utökat produktblad