Aquapump XL

Kanalhjulspumpar

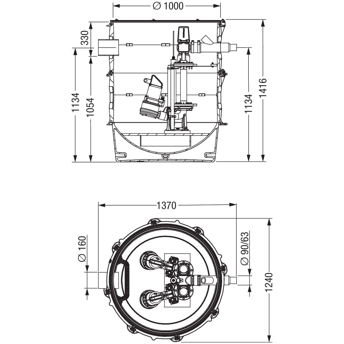
  • Aquapump XL Kanalhjulspumpar
  • Tankvolym: 680 liter Pumpvolym: 350 liter
  • Pumpstationen Ă€r tillverkad enligt SS-EN-12050 och Ă€r utrustad med kanalhjulspumpar som lĂ€mpar sig bĂ€st för pumpning av dagvatten
  • Den Ă€r avsedd för installation i mark eller i betongplatta
  • Den Ă€r sjĂ€lvförankrande och klarar 3 meter grundvatten
  • Max installationsdjup Ă€r 5 meter
  • NivÄövervakning och larm sker via en hydrostatisk givare
  • Pumpstationen levereras komplett med en eller tvĂ„ pumpar, integrerade backventiler, digital kontrollenhet och avstĂ€ngningsventil
  • Pumpstationen förses med en brunnsmodul för pĂ„byggnad till marknivĂ„
Visa alla mÄtt +
Artikelnummer RSK SpÀnningPumpvolym i literPumpAntal pumparFiler
KE-8743026 400 V3501300-S11
KE-8743027 400 V3502600-S11
KE-8743028 400 V3503700-S11
KE-8743029 400 V3401300-S12
KE-8743030 400 V3402600-S12
KE-8743031 400 V3403700-S12