Aqualift S 200

Pumpstation

  • Aqualift F Ă€r den klassiska lösningen för pumpning av spillvatten
  • Pumpstationen har en virvelhjulsimpeller som kan hantera spillvatten med eller utan WC enligt
  • SS-EN-12050-1 och 2
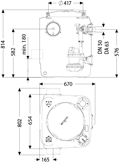
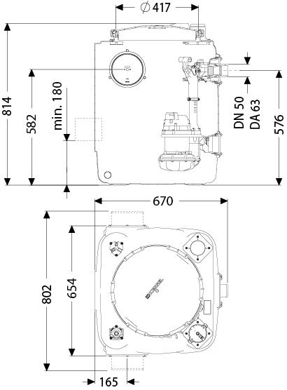
Visa alla mÄtt +
Artikelnummer RSK SpÀnningEffektAntal pumparPumpDriftlÀgeAmpereUtlopp ØMax PumphöjdMax Medietemp.Filer
KE-28517 230 V0.65 kW2GTF 600S1-100%2.9 A63 mm8 m40 ÂșC
KE-28518 230 V1.3 kW2GTF 1250S1-100%5.4 A63 mm11 m40 ÂșC
Datablad

Drift och skötsel

Videos

Utökat produktblad