T4UDF-HP

PVDF membranventil union PTFE

  • PVDF membranventil union
  • Membran i PTFE
  • Vatten PN10 vid +20 °C
  • Muffsvetsning
  • Handtaget är utrustat med säkerhetslåsning, samt ögla för hänglås
  • High Purity levereras i förslutna plastplåsar
  • Notera att på alla membranventiler ska vridmomenten på bultarna alltid kontrolleras innan driftsättning
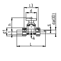
Visa alla mått +
Artikelnummer RSK da(OD)DNsLL1L3dd1hFiler
T4UDF-HP-P-020 20151.919816.5908647.5100
T4UDF-HP-P-025 25201.922216.51088658100
T4UDF-HP-P-032 32252.423620.11168665107
T4UDF-HP-P-040 40322.426025.513413679144
T4UDF-HP-P-050 504032863215413690144
T4UDF-HP-P-063 6350332238.5184136110170
Datablad

Materialegenskaper