Hem / Produkter / Specialrörsystem / Rörsystem High Purity / SAN-PVDF
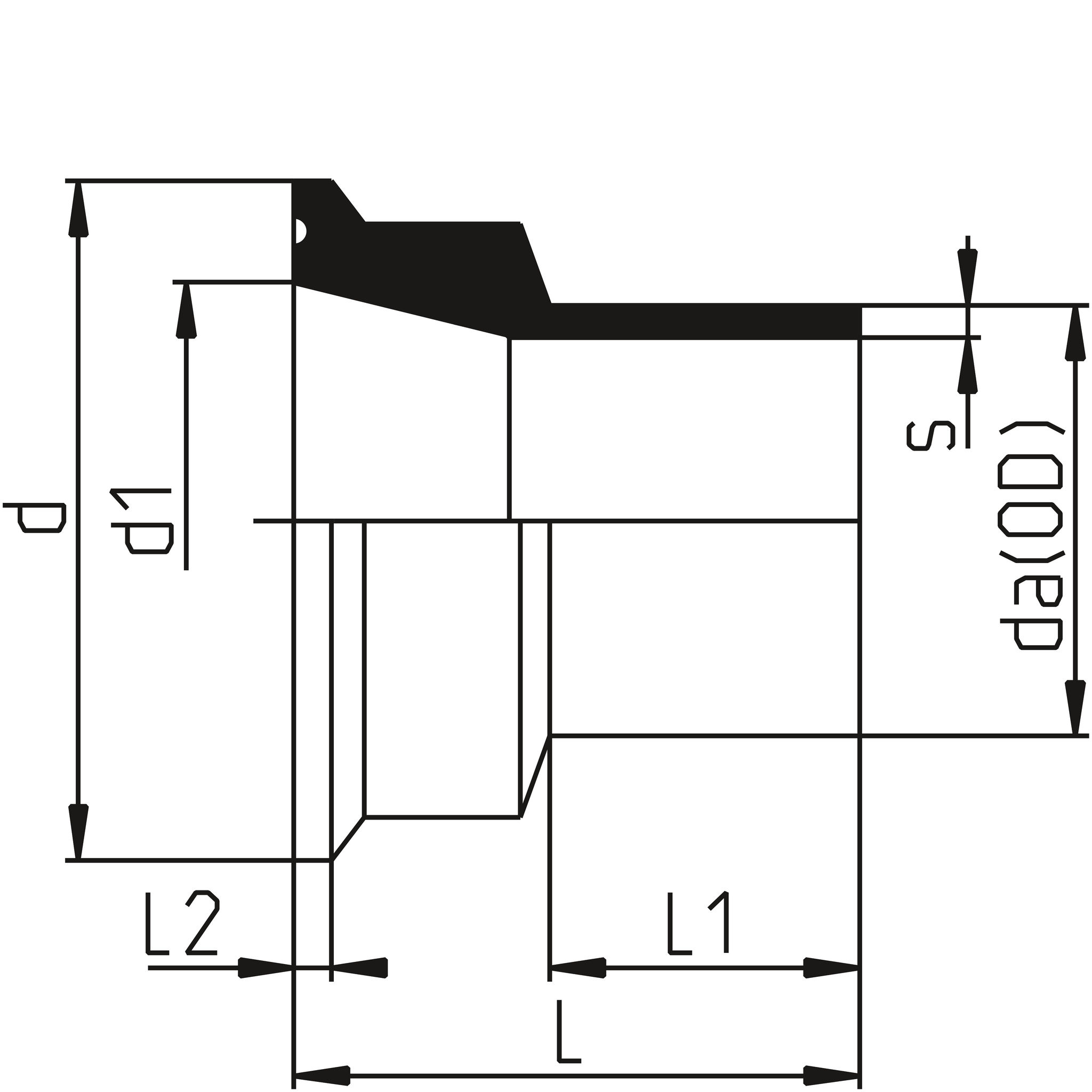
PVDF Sanitärkoppling
”*” anger obligatoriska fält
E-postadress
Lösenord
Kom ihåg mig