RIFF-HP

PVDF Muff utv svets/inv gänga SDR21

  • PVDF-HP övergång SDR21
  • Invändig R-gänga
  • Vatten PN10 vid +20 °C
  • Se teknisk information för tillåtna tryck vid högre temperaturer
  • Formsprutad
  • Stum-, IR- och HPF-svetsning
  • High Purity levereras i förslutna plastplåsar
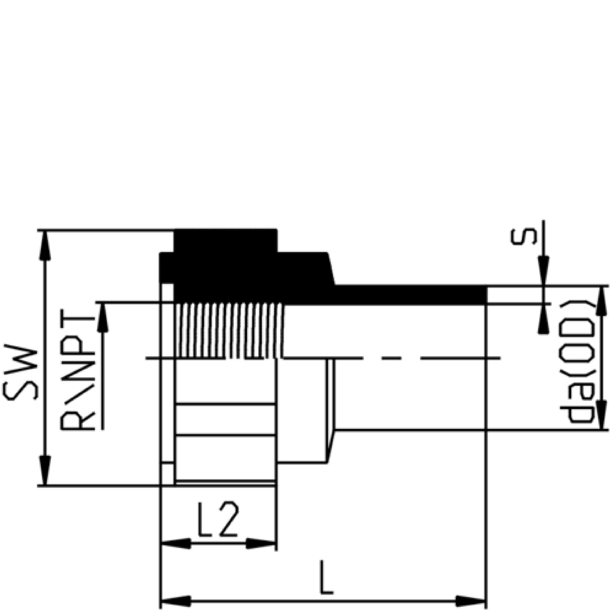
Visa alla mått +
Artikelnummer RSK da(OD)sLL2SWRFiler
RIFF-HP020-R015 201.94616321/2" CAD/Step
RIFF-HP025-R020 251.95118413/4" CAD/Step
RIFF-HP032-R025 322.45820461" CAD/Step
RIFF-HP040-R032 402.46224551 1/4" CAD/Step
RIFF-HP050-R040 5036824701 1/2" CAD/Step
RIFF-HP063-R050 6337528852" CAD/Step
Datablad

Materialegenskaper