GDLMN

PP Multiböj 90° SDR11

  • PP-Natur Multiböj 90° SDR11
  • Lång ände
  • Vatten PN10 vid +20 °C
  • Se teknisk information för tillåtna tryck vid högre temperaturer
  • Formsprutad
  • Stum-, IR- och BCF-svetsning
Visa alla mått +
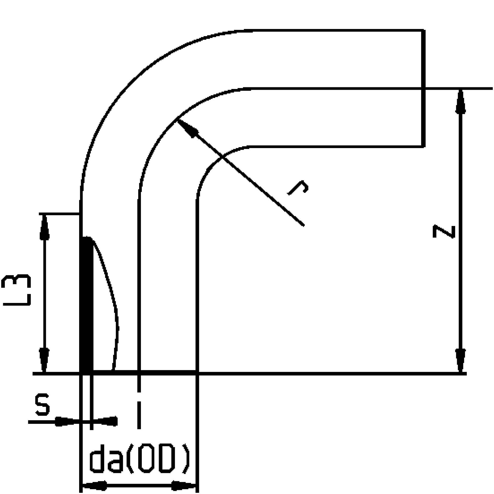
Artikelnummer RSK da(OD)SDRszrL3Filer
GDLMN11-020 20SDR111.9602040 CAD/Step
GDLMN11-025 25SDR112.368.52542.5 CAD/Step
GDLMN11-032 32SDR112.9793247 CAD/Step
GDLMN11-040 40SDR113.792.54052 CAD/Step
GDLMN11-050 50SDR114.6108.55058.5 CAD/Step
GDLMN11-063 63SDR115.8129.56366.5 CAD/Step
GDLMN11-075 75SDR116.81507575
GDLMN11-090 90SDR118.21689076 CAD/Step
GDLMN11-110 110SDR111019211082 CAD/Step
Datablad

EPD (Environmental Product Declaration)

Materialegenskaper